Comparison of Agents on the Continuous Pendulum Swing-Up Environment
This example shows how to create and train frequently used default agents on a continuous action space pendulum swing-up environment. This environment is modeled in Simulink®, and represents a simple frictionless pendulum that initially hangs in a downward position. The agent can apply a control torque on the pendulum, and its goal is to make the pendulum stand upright using minimal control effort. The example plots performance metrics such as the total training time and the total reward for each trained agent. The results that the agents obtain in this environment, with the selected initial conditions and random number generator seed, do not necessarily imply that specific agents are better than others. Also, note that the training times depend on the computer and operating system you use to run the example, and on other processes running in the background. Your training times might differ substantially from the training times shown in the example.
Fix Random Number Stream for Reproducibility
The example code might involve computation of random numbers at various stages. Fixing the random number stream at the beginning of various sections in the example code preserves the random number sequence in the section every time you run it, and increases the likelihood of reproducing the results. For more information, see Results Reproducibility.
Fix the random number stream with seed 0 and random number algorithm Mersenne Twister. For more information on controlling the seed used for random number generation, see rng.
previousRngState = rng(0,"twister");The output previousRngState is a structure that contains information about the previous state of the stream. You will restore the state at the end of the example.
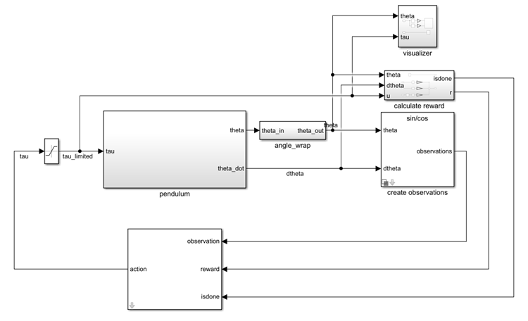
Continuous Action Space Pendulum Swing-Up Simulink Environment
The reinforcement learning environment for this example is a simple frictionless pendulum that initially hangs in a downward position. The training goal is to make the pendulum stand upright using minimal control effort.
Open the model.
mdl = "rlSimplePendulumModel";
open_system(mdl)
In this model:
The balanced, upright pendulum position is zero radians, and the downward hanging pendulum position is
piradians.The torque action signal from the agent to the environment is from –2 to 2 N·m.
The observations from the environment are the sine of the pendulum angle, the cosine of the pendulum angle, and the pendulum angle derivative.
The reward , provided at every time step, is
Here:
is the angle of displacement from the upright position.
is the derivative of the displacement angle.
is the control effort from the previous time step.
For more information on this model, see Load Predefined Control System Environments.
Create Environment Object
Create a predefined environment object for the continuous pendulum environment.
env = rlPredefinedEnv("SimplePendulumModel-Continuous")env =
SimulinkEnvWithAgent with properties:
Model : rlSimplePendulumModel
AgentBlock : rlSimplePendulumModel/RL Agent
ResetFcn : []
UseFastRestart : on
Obtain the observation and action information for later use when creating agent.
obsInfo = getObservationInfo(env)
obsInfo =
rlNumericSpec with properties:
LowerLimit: -Inf
UpperLimit: Inf
Name: "observations"
Description: [0×0 string]
Dimension: [3 1]
DataType: "double"
actInfo = getActionInfo(env)
actInfo =
rlNumericSpec with properties:
LowerLimit: -2
UpperLimit: 2
Name: "torque"
Description: [0×0 string]
Dimension: [1 1]
DataType: "double"
The object has a continuous action space where the agent can apply torque values between –2 to 2 N·m to the pendulum.
Set the observations of the environment to be the sine of the pendulum angle, the cosine of the pendulum angle, and the pendulum angle derivative.
set_param( ... "rlSimplePendulumModel/create observations", ... "ThetaObservationHandling","sincos");
To define the initial condition of the pendulum as hanging downward, specify an environment reset function using an anonymous function handle. This reset function sets the model workspace variable theta0 to pi.
env.ResetFcn = @(in)setVariable(in,"theta0",pi,"Workspace",mdl);
Specify the agent sample time Ts and the simulation time Tf in seconds.
Ts = 0.05; Tf = 20;
Reset the environment and return the environment state.
reset(env)
ans =
SimulationInput with properties:
ModelName: "rlSimplePendulumModel"
InitialState: [0×0 Simulink.op.ModelOperatingPoint]
ExternalInput: []
ModelParameters: [0×0 Simulink.Simulation.ModelParameter]
BlockParameters: [0×0 Simulink.Simulation.BlockParameter]
Variables: [1×1 Simulink.Simulation.Variable]
PreSimFcn: []
PostSimFcn: []
UserString: ''
VariantConfiguration: ''
Configure Training Options for all Agents
Set up an evaluator object to evaluate the agent 10 times without exploration every 100 training episodes.
evl = rlEvaluator(NumEpisodes=10,EvaluationFrequency=100);
Create a training options object. For this example, use the following options.
Run each training episode for a maximum of 5000 episodes, with each episode lasting at most
Tf/Ts(by default 400) time steps.To have a better insight on the agent's behavior during training, plot the training progress (default option). If you want to achieve faster training times, set the
Plotsoption tonone.Stop training when the average reward in the evaluation episodes is greater than -740. At this point, the agent can balance the position of the pendulum.
trainOpts = rlTrainingOptions(... MaxEpisodes=5000, ... MaxStepsPerEpisode=ceil(Tf/Ts), ... StopTrainingCriteria="EvaluationStatistic",... StopTrainingValue=-740);
For more information on training options, see rlTrainingOptions.
To simulate the trained agent, create a simulation options object and configure it to simulate for ceil(Tf/Ts) steps.
simOptions = rlSimulationOptions(MaxSteps=ceil(Tf/Ts));
For more information on simulation options, see rlSimulationOptions.
Create, Train, and Simulate a PG Agent
The actor and critic networks are initialized randomly. Ensure reproducibility of the section by fixing the seed used for random number generation.
rng(0,"twister")First, create a default rlPGAgent object using the environment specification objects.
pgAgent = rlPGAgent(obsInfo,actInfo);
To ensure that the RL Agent block in the environment executes every Ts seconds instead of the default setting of one second, set the SampleTime property of pgAgent.
pgAgent.AgentOptions.SampleTime = Ts;
Set a lower learning rate and a lower gradient threshold to promote a smoother (though possibly slower) training.
pgAgent.AgentOptions.CriticOptimizerOptions.LearnRate = 1e-3; pgAgent.AgentOptions.ActorOptimizerOptions.LearnRate = 1e-3; pgAgent.AgentOptions.CriticOptimizerOptions.GradientThreshold = 1; pgAgent.AgentOptions.ActorOptimizerOptions.GradientThreshold = 1;
Set the entropy loss weight to increase exploration.
pgAgent.AgentOptions.EntropyLossWeight = 0.005;
Train the agent, passing the agent, the environment, and the previously defined training options and evaluator objects to train. Training is a computationally intensive process that takes several minutes to complete. To save time while running this example, load a pretrained agent by setting doTraining to false. To train the agent yourself, set doTraining to true.
doTraining =false; if doTraining % Train the agent. Save the final agent and training results. tic pgTngRes = train(pgAgent,env,trainOpts,Evaluator=evl); pgTngTime = toc; % Extract the number of training episodes and the number of total steps. pgTngEps = pgTngRes.EpisodeIndex(end); pgTngSteps = sum(pgTngRes.TotalAgentSteps); % Uncomment to save the trained agent and the training metrics. % save("cpsuBchPGAgent.mat", ... % "pgAgent","pgTngEps","pgTngSteps","pgTngTime") else % Load the pretrained agent and results for the example. load("cpsuBchPGAgent.mat", ... "pgAgent","pgTngEps","pgTngSteps","pgTngTime") end

For the PG agent, the training does not converge to a solution. You can check the trained agent within the pendulum swing-up environment.
Ensure reproducibility of the simulation by fixing the seed used for random number generation.
rng(0,"twister")Configure the agent to use a greedy policy (no exploration) in simulation.
pgAgent.UseExplorationPolicy = false;
Simulate the environment with the trained agent for ceil(Tf/Ts) steps. For more information on agent simulation, see sim.
experience = sim(env,pgAgent,simOptions);

pgTotalRwd = sum(experience.Reward)
pgTotalRwd = -2.8437e+03
The trained PG agent is able to swing up the pendulum but it cannot stabilize it upright.
Create, Train, and Simulate an AC Agent
The actor and critic networks are initialized randomly. Ensure reproducibility of the section by fixing the seed used for random number generation.
rng(0,"twister")First, create a default rlACAgent object using the environment specification objects.
acAgent = rlACAgent(obsInfo,actInfo);
To ensure that the RL Agent block in the environment executes every Ts seconds instead of the default setting of one second, set the SampleTime property of acAgent.
acAgent.AgentOptions.SampleTime = Ts;
Set a lower learning rate and a lower gradient threshold to promote a smoother (though possibly slower) training.
acAgent.AgentOptions.CriticOptimizerOptions.LearnRate = 1e-3; acAgent.AgentOptions.ActorOptimizerOptions.LearnRate = 1e-3; acAgent.AgentOptions.CriticOptimizerOptions.GradientThreshold = 1; acAgent.AgentOptions.ActorOptimizerOptions.GradientThreshold = 1;
Set the entropy loss weight to increase exploration.
acAgent.AgentOptions.EntropyLossWeight = 0.005;
Train the agent, passing the agent, the environment, and the previously defined training options and evaluator objects to train. Training is a computationally intensive process that takes several minutes to complete. To save time while running this example, load a pretrained agent by setting doTraining to false. To train the agent yourself, set doTraining to true.
doTraining =false; if doTraining % Train the agent. Save the final agent and training results. tic acTngRes = train(acAgent,env,trainOpts,Evaluator=evl); acTngTime = toc; % Extract the number of training episodes and the number of total steps. acTngEps = acTngRes.EpisodeIndex(end); acTngSteps = sum(acTngRes.TotalAgentSteps); % Uncomment to save the trained agent and the training metrics. % save("cpsuBchACAgent.mat", ... % "acAgent","acTngEps","acTngSteps","acTngTime") else % Load the pretrained agent and results for the example. load("cpsuBchACAgent.mat", ... "acAgent","acTngEps","acTngSteps","acTngTime") end

For the AC agent, the training does not converge to a solution. You can check the trained agent within the pendulum swing-up environment.
Ensure reproducibility of the simulation by fixing the seed used for random number generation.
rng(0,"twister")Configure the agent to use a greedy policy (no exploration) in simulation.
acAgent.UseExplorationPolicy = false;
Simulate the environment with the trained agent for ceil(Tf/Ts) steps. For more information on agent simulation, see sim.
experience = sim(env,acAgent,simOptions);

acTotalRwd = sum(experience.Reward)
acTotalRwd = -3.4548e+03
The trained AC agent does not swing up the pendulum.
Create, Train, and Simulate a PPO Agent
The actor and critic networks are initialized randomly. Ensure reproducibility of the section by fixing the seed used for random number generation.
rng(0,"twister")First, create a default rlPPOAgent object using the environment specification objects.
ppoAgent = rlPPOAgent(obsInfo,actInfo);
To ensure that the RL Agent block in the environment executes every Ts seconds instead of the default setting of one second, set the SampleTime property of ppoAgent.
ppoAgent.AgentOptions.SampleTime = Ts;
Set a lower learning rate and a lower gradient threshold to promote a smoother (though possibly slower) training.
ppoAgent.AgentOptions.CriticOptimizerOptions.LearnRate = 1e-3; ppoAgent.AgentOptions.ActorOptimizerOptions.LearnRate = 1e-3; ppoAgent.AgentOptions.CriticOptimizerOptions.GradientThreshold = 1; ppoAgent.AgentOptions.ActorOptimizerOptions.GradientThreshold = 1;
Train the agent, passing the agent, the environment, and the previously defined training options and evaluator objects to train. Training is a computationally intensive process that takes several minutes to complete. To save time while running this example, load a pretrained agent by setting doTraining to false. To train the agent yourself, set doTraining to true.
doTraining =false; if doTraining % Train the agent. Save the final agent and training results. tic ppoTngRes = train(ppoAgent,env,trainOpts,Evaluator=evl); ppoTngTime = toc; % Extract the number of training episodes and the number of total steps. ppoTngEps = ppoTngRes.EpisodeIndex(end); ppoTngSteps = sum(ppoTngRes.TotalAgentSteps); % Uncomment to save the trained agent and the training metrics. % save("cpsuBchPPOAgent.mat", ... % "ppoAgent","ppoTngEps","ppoTngSteps","ppoTngTime") else % Load the pretrained agent and results for the example. load("cpsuBchPPOAgent.mat", ... "ppoAgent","ppoTngEps","ppoTngSteps","ppoTngTime") end

For the PPO Agent, the training converges to a solution after 2400 episodes. You can check the trained agent within the pendulum swing-up environment.
Ensure reproducibility of the simulation by fixing the seed used for random number generation.
rng(0,"twister")Configure the agent to use a greedy policy (no exploration) in simulation.
ppoAgent.UseExplorationPolicy = false;
Simulate the environment with the trained agent for ceil(Tf/Ts) steps. For more information on agent simulation, see sim.
experience = sim(env,ppoAgent,simOptions);

ppoTotalRwd = sum(experience.Reward)
ppoTotalRwd = -730.2556
The trained PPO agent does not swing up the pendulum.
Create, Train, and Simulate a DDPG Agent
The actor and critic networks are initialized randomly. Ensure reproducibility of the section by fixing the seed used for random number generation.
rng(0,"twister")First, create a default rlDDPGAgent object using the environment specification objects.
ddpgAgent = rlDDPGAgent(obsInfo,actInfo);
To ensure that the RL Agent block in the environment executes every Ts seconds instead of the default setting of one second, set the SampleTime property of ddpgAgent.
ddpgAgent.AgentOptions.SampleTime = Ts;
Set a lower learning rate and a lower gradient threshold to promote a smoother (though possibly slower) training.
ddpgAgent.AgentOptions.CriticOptimizerOptions.LearnRate = 1e-3; ddpgAgent.AgentOptions.ActorOptimizerOptions.LearnRate = 1e-3; ddpgAgent.AgentOptions.CriticOptimizerOptions.GradientThreshold = 1; ddpgAgent.AgentOptions.ActorOptimizerOptions.GradientThreshold = 1;
Use a larger experience buffer to store more experiences, therefore decreasing the likelihood of catastrophic forgetting.
ddpgAgent.AgentOptions.ExperienceBufferLength = 1e6;
Train the agent, passing the agent, the environment, and the previously defined training options and evaluator objects to train. Training is a computationally intensive process that takes several minutes to complete. To save time while running this example, load a pretrained agent by setting doTraining to false. To train the agent yourself, set doTraining to true.
doTraining =false; if doTraining % Train the agent. Save the final agent and training results. tic ddpgTngRes = train(ddpgAgent,env,trainOpts,Evaluator=evl); ddpgTngTime = toc; % Extract the number of training episodes and the number of total steps. ddpgTngEps = ddpgTngRes.EpisodeIndex(end); ddpgTngSteps = sum(ddpgTngRes.TotalAgentSteps); % Uncomment to save the trained agent and the training metrics. % save("cpsuBchDDPGAgent.mat", ... % "ddpgAgent","ddpgTngEps","ddpgTngSteps","ddpgTngTime") else % Load the pretrained agent and results for the example. load("cpsuBchDDPGAgent.mat", ... "ddpgAgent","ddpgTngEps","ddpgTngSteps","ddpgTngTime") end

For the DDPG Agent, the training converges to a solution after 400 episodes. You can check the trained agent within the pendulum swing-up environment.
Ensure reproducibility of the simulation by fixing the seed used for random number generation.
rng(0,"twister")Configure the agent to use a greedy policy (no exploration) in simulation.
ddpgAgent.UseExplorationPolicy = false;
Simulate the environment with the trained agent for ceil(Tf/Ts) steps. For more information on agent simulation, see sim.
experience = sim(env,ddpgAgent,simOptions);

ddpgTotalRwd = sum(experience.Reward)
ddpgTotalRwd = -727.2543
The trained DDPG agent is able to swing up and stabilize the pendulum upright.
Create, Train, and Simulate a TD3 Agent
The actor and critic networks are initialized randomly. Ensure reproducibility of the section by fixing the seed used for random number generation.
rng(0,"twister")First, create a default rlDDPGAgent object using the environment specification objects.
td3Agent = rlTD3Agent(obsInfo,actInfo);
To ensure that the RL Agent block in the environment executes every Ts seconds instead of the default setting of one second, set the SampleTime property of td3Agent.
td3Agent.AgentOptions.SampleTime = Ts;
Set a lower learning rate and a lower gradient threshold to promote a smoother (though possibly slower) training.
td3Agent.AgentOptions.CriticOptimizerOptions(1).LearnRate = 1e-3; td3Agent.AgentOptions.CriticOptimizerOptions(2).LearnRate = 1e-3; td3Agent.AgentOptions.ActorOptimizerOptions.LearnRate = 1e-3; td3Agent.AgentOptions.CriticOptimizerOptions(1).GradientThreshold = 1; td3Agent.AgentOptions.CriticOptimizerOptions(2).GradientThreshold = 1; td3Agent.AgentOptions.ActorOptimizerOptions.GradientThreshold = 1;
Use a larger experience buffer to store more experiences, therefore decreasing the likelihood of catastrophic forgetting.
td3Agent.AgentOptions.ExperienceBufferLength = 1e6;
Train the agent, passing the agent, the environment, and the previously defined training options and evaluator objects to train. Training is a computationally intensive process that takes several minutes to complete. To save time while running this example, load a pretrained agent by setting doTraining to false. To train the agent yourself, set doTraining to true.
doTraining =false; if doTraining % Train the agent. Save the final agent and training results. tic td3TngRes = train(td3Agent,env,trainOpts,Evaluator=evl); td3TngTime = toc; % Extract the number of training episodes and the number of total steps. td3TngEps = td3TngRes.EpisodeIndex(end); td3TngSteps = sum(td3TngRes.TotalAgentSteps); % Uncomment to save the trained agent and the training metrics. % save("cpsuBchTD3Agent.mat", ... % "td3Agent","td3TngEps","td3TngSteps","td3TngTime") else % Load the pretrained agent and results for the example. load("cpsuBchTD3Agent.mat", ... "td3Agent","td3TngEps","td3TngSteps","td3TngTime") end

For the TD3 Agent, the training converges to a solution after 600 episodes. You can check the trained agent within the pendulum swing-up environment.
Ensure reproducibility of the simulation by fixing the seed used for random number generation.
rng(0,"twister")Configure the agent to use a greedy policy (no exploration) in simulation.
td3Agent.UseExplorationPolicy = false;
Simulate the environment with the trained agent for ceil(Tf/Ts) steps. For more information on agent simulation, see sim.
experience = sim(env,td3Agent,simOptions);

td3TotalRwd = sum(experience.Reward)
td3TotalRwd = -731.3141
The trained TD3 agent is able to swing up and stabilize the pendulum upright.
Create, Train, and Simulate a SAC Agent
The actor and critic networks are initialized randomly. Ensure reproducibility of the section by fixing the seed used for random number generation.
rng(0,"twister")First, create a default rlSACAgent object using the environment specification objects.
sacAgent = rlSACAgent(obsInfo,actInfo);
To ensure that the RL Agent block in the environment executes every Ts seconds instead of the default setting of one second, set the SampleTime property of sacAgent.
sacAgent.AgentOptions.SampleTime = Ts;
Set a lower learning rate and a lower gradient threshold to promote a smoother (though possibly slower) training.
sacAgent.AgentOptions.CriticOptimizerOptions(1).LearnRate = 1e-3; sacAgent.AgentOptions.CriticOptimizerOptions(2).LearnRate = 1e-3; sacAgent.AgentOptions.ActorOptimizerOptions.LearnRate = 1e-3; sacAgent.AgentOptions.CriticOptimizerOptions(1).GradientThreshold = 1; sacAgent.AgentOptions.CriticOptimizerOptions(2).GradientThreshold = 1; sacAgent.AgentOptions.ActorOptimizerOptions.GradientThreshold = 1;
Use a larger experience buffer to store more experiences, therefore decreasing the likelihood of catastrophic forgetting.
sacAgent.AgentOptions.ExperienceBufferLength = 1e6;
Train the agent, passing the agent, the environment, and the previously defined training options and evaluator objects to train. Training is a computationally intensive process that takes several minutes to complete. To save time while running this example, load a pretrained agent by setting doTraining to false. To train the agent yourself, set doTraining to true.
doTraining =false; if doTraining % Train the agent. Save the final agent and training results. tic sacTngRes = train(sacAgent,env,trainOpts,Evaluator=evl); sacTngTime = toc; % Extract the number of training episodes and the number of total steps. sacTngEps = sacTngRes.EpisodeIndex(end); sacTngSteps = sum(sacTngRes.TotalAgentSteps); % Uncomment to save the trained agent and the training metrics. % save("cpsuBchSACAgent.mat", ... % "sacAgent","sacTngEps","sacTngSteps","sacTngTime") else % Load the pretrained agent and results for the example. load("cpsuBchSACAgent.mat", ... "sacAgent","sacTngEps","sacTngSteps","sacTngTime") end

For the SAC Agent, the training converges to a solution after 400 episodes. You can check the trained agent within the pendulum swing-up environment.
Ensure reproducibility of the simulation by fixing the seed used for random number generation.
rng(0,"twister")Configure the agent to use a greedy policy (no exploration) in simulation.
pgAgent.UseExplorationPolicy = false;
Simulate the environment with the trained agent for ceil(Tf/Ts) steps. For more information on agent simulation, see sim.
experience = sim(env,sacAgent,simOptions);

sacTotalRwd = sum(experience.Reward)
sacTotalRwd = -736.9437
The trained SAC agent is able to swing up and stabilize the pendulum upright.
Plot Training and Simulation Metrics
For each agent, collect the total reward from the final simulation episode, the number of training episodes, the total number of agent steps, and the total training time as shown in the Reinforcement Learning Training Monitor.
simReward = [
pgTotalRwd
acTotalRwd
ppoTotalRwd
ddpgTotalRwd
td3TotalRwd
sacTotalRwd
];
tngEpisodes = [
pgTngEps
acTngEps
ppoTngEps
ddpgTngEps
td3TngEps
sacTngEps
];
tngSteps = [
pgTngSteps
acTngSteps
ppoTngSteps
ddpgTngSteps
td3TngSteps
sacTngSteps
];
tngTime = [
pgTngTime
acTngTime
ppoTngTime
ddpgTngTime
td3TngTime
sacTngTime
];Since the training for the PG, AC, and PPO agents did not converge, set the relative metrics to NaN.
simReward(1:3) = NaN; tngEpisodes(1:3) = NaN; tngSteps(1:3) = NaN; tngTime(1:3) = NaN;
Plot the simulation reward, number of training episodes, number of training steps and training time. Scale the data by the factor [1 1 5e5 5] for better visualization.
bar([simReward,tngEpisodes,tngSteps,tngTime]./[1 1 5e5 5]) xticklabels(["PG" "AC" "PPO" "DDPG" "TD3" "SAC"]) legend(["Simulation Reward","Training Episodes","Training Steps","Training Time"], ... "Location","northwest")

The plot shows that, for this environment, and with the used random number generator seed and initial conditions, DDPG and SAC use about the same number of steps to converge, with DDPG using less training time because of its simpler algorithm. With a different random seed, the initial agent networks would be different, and therefore, convergence results might be different. For more information on the relative strengths and weaknesses of each agent, see Reinforcement Learning Agents.
Save all the variables created in this example, including the training results, for later use.
% Uncomment to save all the workspace variables % save cpsuAllVars.mat
Restore the random number stream using the information stored in previousRngState.
rng(previousRngState);





