Main Content

Real-Time Workflows

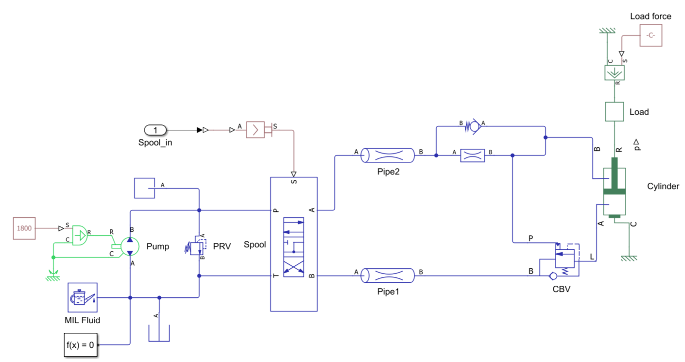
Real-time configuration examples in multiple Simscape™ Fluids™ domains

In this section, you can find examples on configuring models for real-time in multiple Simscape Fluids domains.

Featured Examples